開発時に1本も性能劣化を生じなかった巨大なヒーター電力の6C33C-B。4項目の周到な保護回路を搭載し出力管の発熱抑制策と放熱設計も徹底
本機の開発コンセプトは以下の2項目とし、現代の制御技術ならびに新技術で実現しました。
①電力使用効率の向上による発熱量の低減
②現代オーディオ機器に求められる信頼性と保護性能の確保
【1】出力管
第1表は、用途別の主たる出力管を真空管式OTLの視点で比較した一覧表です。オーディオ用途を除くと、いずれも真空管式OTLで採用された実績のある真空管です。レギュレーター用途とTV水平偏向出力(以下、TV管)用途の真空管の大きな相違点はヒーター電力の差で、これはカソード面積に比例していると考えられます。
第1表 代表的出力管の比較

TV管はブラウン管カラーテレビ全盛時代に安価に大量供給された背景により並列動作の作例が多いですが、限界を超えた真空管動作のため経時劣化などで負荷の均衡が崩れたときに、急速に劣化が拡大する可能性があります。また、複雑な電極構造で、過度な温度上昇に伴い電極の変形を生じ、熱暴走や電極ショートによる破壊リスクの可能性がありました。一方、産業、軍事用途に開発された安定化電源用レギュレーター管は、大型の3極管をベースとするシンプルな電極構造です。
本機が使用する出力管はロシア製6C33C-Bで、軍用のレギュレーター用途の真空管であり、同じ用途で開発され真空管式OTLに実績のある6336Aのひと回り大型の真空管といえましょう。巨大なヒーター電力はカソード放出電流の大きさの証といえ、筆者の試算ではカソード放出電流は4・3Aであり、これは8Ω負荷時74W出力に相当します。航空機搭載を前提として高G対策の肉厚マイカ板による電極支持、放熱に配慮した肉厚のプレート電極、大柄なガラスバルブなど、真空管式OTLに課される連続定格をはるかに超えるプレート損失にも耐えられそうです。民生用とは一線を画す質実剛健の姿形は開発意欲を喚起するものがありました。
本機の開発段階では何度となく過負荷状態となりましたが、特性変動を含め、1本も性能の劣化を生じませんでした。ちなみに、放出電流密度、カソード温度、寿命はトレードオフの関係にあり、民生管のカソード温度は1000〜1150K、放出電流密度は0・2〜0・3A/㎠とされていました。そのときのカソード寿命は10000〜30000時間とされ、40年(35万時間)以上の寿命が要求される海底電話ケーブルの中継増幅器に使用されていた真空管のそれは、940K、0・01/㎠程度と記録されています。
【2】回路構成
当社のプッシュプルアンプの出力段回路構成は、2014年発売U・BROS120から始まり22年発売U・BROS330AHに至る製品、ならびに99号「マイ・ハンディクラフト」TAP105発表を通じてその優秀性を確認しているサークロトロン回路で、本機は5機種目の採用となります。サークロトロン回路の最大の特徴は出力トランス1次巻線の外でプッシュプル電流が合成されていることで、これは出力トランス内で磁気結合による波形合成を必要とせず、1次/2次巻線は各々1個の巻線によるインピーダンスマッチング機能に徹すればよいことになります。本機のサークロトロン回路は、この出力トランスをスピーカーに置き換えた形態といえましょう。第3図に「サークロトロン出力回路の展開」を示します。
第3図 サークロトロン出力回路の展開

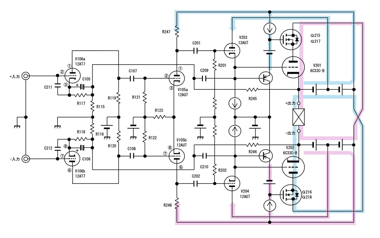
真空管OTLアンプの低い電源利用効率のため、出力を制限するのは、プレート供給電圧ではなく最大出力電流です(例えば、パラレルプッシュプルとすれば、最大出力は4倍に増大します)。本機は3極出力管駆動の面で出力の増大のみならず音質面でも大きなメリットがあるAB2級動作とし、カソードフォロアーにより正領域までコントロールグリッドを励振しています。この結果、6C33C-Bのシングルプッシュプルで40W/8Ωの出力を獲得しており、電力効率は過去の真空管OTLアンプの2倍以上に向上しています。
電圧増幅段は12AT7と12AU7によるバランス構成の2段アンプで、12AU7増幅ならびにカソードフォロアー12AU7のプレート供給電源は出力管カソードからブートストラップされ、大振幅動作時のリニアリティを改善しています。第4図「フルバランスサークロトロン回路」をご参照ください。
第4図 フルバランスサークロトロン回路

