
高橋 アルテック銀箱って、今日のように床に直接置いて使うセッティングが基本ですか?
杉井 これまでこの試聴室で何度も銀箱を使ってきて、結果的にこの置き方に落ち着きました。スタンドなどにのせると低音が物足りなくなってしまうことが多かったので、フロント側に2cm角のウッドブロックをかませて、少しだけ仰角をつけています。
高橋 なるほど。細野晴臣さんの『HOSONO HOUSE』のレコーディングのときに、エンジニアの吉野金次さんが銀箱を畳の上に直置きしてミックスをしたという話を聞いたことがあって、そういう状態でミックスができるのかどうか疑問だったのですが、もしかしたら吉野さんも同じ理由で床置きにしていたのかもしれないですね。
杉井 ギターアンプでは12AX7をどのように使われていますか?
鈴木 僕は12AT7や12AU7が使われているところにあえて12AX7を使うことがあります。レベルを大きくするためにね。
杉井 なるほど。12AX7を12AT7に替えるという人もいますよね。
高橋 僕はそっちの使い方です。出力を下げるために使います。
杉井 ギターアンプにせよオーディオアンプにせよ、真空管には根強いファンがいます。特にギターアンプでは「真空管しか考えられない」という人が多い。やはり歪み方が半導体とは違うのでしょうか。
鈴木 真空管の音は「歪みかけ」が気持ちいいんですよ。ちょっとザラついた音というのは、真空管でないとなかなかうまく出せない。
高橋 高校1年のときに初めて買った、日本のロックのレコードがはっぴいえんどの『風街ろまん』でした。高3のときに文京公会堂まで解散コンサートも観に行って。ギターはそれ以前から弾いていたのですが、エレキギターを買ったのは大学に入ってからです。最初にテレキャスターを買って、フェンダーのストラトキャスターとツインリヴァーブも買いました。だから、ほとんど茂さんの後を追ってきたようなものなんです(笑)。
鈴木 当時は主流だったからね。ストラトとツインリヴァーブの組合せは。
高橋 その後、いろんなスタジオやオーディオで音を聴くうちに、自分はスピーカーに関してはブリティッシュ系のサウンドが好きだということがわかってきたのですが、今日はアルテックを中心にまとめられたシステムということで、どんな音が聴けるか楽しみです。
試聴で使用した機器
フォノイコライザー
シュアー M65
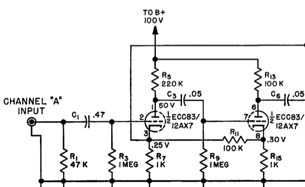
シュアーの業務用機種SE1はダイナコ社よりPAS2(PAS3)のサーキットボードの供給を受け生産された。その廉価版コンシューマー向けEQアンプがM65である。M65は、ダイナコと同一回路のSE1のEQ部と基本回路は同じだが、フラットアンプ段を省略しEQ段部のみとなり、若干の回路定数の変更がされている。フォノのほかにマイク入力、テープEQの入力切替えができる点はダイナコ製品と共通する。シャーシコンストラクションは、GE社のバリレラ専用機UPX003を参考にステレオ化したような印象であり、長所としてGE製品とともに、セレンによる半波整流のB電源、ヒーターの交流点火という共通点も挙げられる。(杉井)
シュアーM65 増幅部回路図
フォノカートリッジ
シュアー M7D


アナログプレーヤー
RCA BQ2B
プリアンプ
アルテック 1567A
取材協力:ウエスタン サウンド インク☎03(3370)7400


パワーアンプ
(6L6プッシュプル・モノーラル)
アルテック 1520T
取材協力:ウエスタン サウンド インク
スピーカーシステム
アルテック 604E+612A(銀箱)

【試聴の方法】
シュアー製ヴィンテージ・フォノイコライザーM65で12AX7×2本を差し替えて試聴した。現行管はマッチドペアを使用している。再生用カートリッジはMM型のシュアーM7Dで、アナログプレーヤーRCA BQ2Bとグレイ・リサーチ製オイルダンプアーム208Sの組合せに装着。シュアーM65は120頁の写真のようにRCA BQ2Bのキャビネット内部に収納している。プリ/パワーアンプとスピーカーシステムはアルテック製のヴィンテージ機だ。プリアンプとパワーアンプ以外は杉井氏の準備による。



